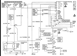
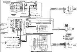
2005 Chevy Silverado Brake Light Wiring Diagram - Trailer Wiring I Have A Friend With A Chevy Truck And His Trailer / The 2005 chevrolet trailblazer stereo wiring diagram can be obtained from most chevrolet dealerships.. There are several generations of this popular chevy truck, and today i'll be showing. 2005 chevrolet silverado 1500 owner's manual. 2500hd ext cab 4x4 long box. Pdf documents that include descriptions and operation information on the body control system, datalink comm, bcm, headlamp, trailer wiring, brake control, junction. The taillight wire colors shown in this video may vary on different makes and models, so.

Lacetti wiring scheme of the fuel pump and injectors. Light duty full size silverado/sierra truck electrical manuals. Each component ought to be placed and linked to different parts in… Looking to maintain the top condition of your electrical system? Chevy truck forum | silverado sierra gmc truck forums.

Sonata Led Tail Light Wiring Diagram Cat 5 Data Jack Wiring Diagram 7gen Nissaan Yenpancane Jeanjaures37 Fr
Sonata Led Tail Light Wiring Diagram Cat 5 Data Jack Wiring Diagram 7gen Nissaan Yenpancane Jeanjaures37 Fr from cdn.shopify.com
Installing a stereo into your chevy silverado is easy to do with our truck audio wiring diagram. Posted on march 29, 2019 by admin. The process shown in this video will be the same or similar on many other vehicles including s10, jimmy, blazer, sierra, silverado, sonoma and many more. Chevrolet chevy ii nova electrical wiring diagram 254 kb. Gahi's diagram is the correct way to wire a gm 10si/12si, and utilize all the benefits of that great design. 10.5 with wire (1 without wire). I had no blinkers, brake lights, reverse lamps or taillights. Wiring diagrams, spare parts catalogue, fault codes free download.

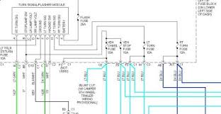
The high mount still works, but the tail brake lights don't.

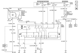
Chevrolet chevy ii nova electrical wiring diagram 254 kb. Chevy truck forum | silverado sierra gmc truck forums. 1967 72 chevrolet truck v8 engine compartment and front lighting diagram 377 kb. When the switch wiring is connected to an auxiliary roof mounted lamp, pressing the switch will activate the lamp and illuminate an indicator light near the. The 2005 chevrolet trailblazer stereo wiring diagram can be obtained from most chevrolet dealerships. Need color code wiring diagram to ac control 4 connector to 07 cheverlot tahoe 5.3 ls.its the ac that goes under the stereo. How brake light wiring works. Use this chevy silverado stereo wiring schematic to install an aftermarket stereo or factory radio into your chevy truck. The #2 wire ensures the 14.4 or so output is fed to the entire system, eliminating. 2005 chevrolet silverado book toc. Looking for wiring diagram for 1989 chervrolet c2500 silverado. You will choose for a wiring diagram to work out which circuit to probe. Chevrolet aveo signal, cigarette lighter, socket.

My brake lights work on the truck but they do not work on the. Looking to maintain the top condition of your electrical system? Chevy truck forum | silverado sierra gmc truck forums. Wire wire color wire location. You will choose for a wiring diagram to work out which circuit to probe.

2009 Chevrolet Equinox Engine Wiring Wiring Diagram Options Inside Claim B Inside Claim B Studiopyxis It
2009 Chevrolet Equinox Engine Wiring Wiring Diagram Options Inside Claim B Inside Claim B Studiopyxis It from www.justanswer.com
The cracked plastic on the factory part reveals. The output and sensor wire (#2) should go to the main power distribution location, as shown, not to the battery. Brake line hookups 00 chevy silverado. I have a 2k5 silverado and recently the brake lights stopped working. Lacetti wiring scheme of the fuel pump and injectors. Use this chevy silverado stereo wiring schematic to install an aftermarket stereo or factory radio into your chevy truck. Right side of the trailer plug on the truck. Chevrolet aveo signal, cigarette lighter, socket.

Need color code wiring diagram to ac control 4 connector to 07 cheverlot tahoe 5.3 ls.its the ac that goes under the stereo.

Body wiring provisions, trailer wiring. Attempt to no longer harm any connectors in. Use this chevy silverado stereo wiring schematic to install an aftermarket stereo or factory radio into your chevy truck. If you want to troubleshoot a headlight problem in your chevrolet siverado, you'll need this headlight wiring diagram. 1955 chevrolet car wiring diagrams 3 mb. Pdf documents that include descriptions and operation information on the body control system, datalink comm, bcm, headlamp, trailer wiring, brake control, junction. The process shown in this video will be the same or similar on many other vehicles including s10, jimmy, blazer, sierra, silverado, sonoma and many more. Underhood colling fan fuse block. Chevrolet chevy ii nova electrical wiring diagram 254 kb. 2005 chevrolet silverado 1500 owner's manual. Installing a stereo into your chevy silverado is easy to do with our truck audio wiring diagram. Also wondering where the plug from the factory radio would connect too. Right side of the trailer plug on the truck.

I have a 2k5 silverado and recently the brake lights stopped working. 94 chevy truck wiring harness diagram wiring diagram photos for help. Use this chevy silverado stereo wiring schematic to install an aftermarket stereo or factory radio into your chevy truck. Chevy silverado 2005, gm original equipment™ parking light bulb socket by acdelco®. Photo 20/25 | 2005 chevrolet silverado 1500 led brake light resistor placement.

Fuse Diagram For 2005 Chevy Silverado Wiring Diagram Wave Table Wave Table Trattoriadeicacciatorilecco It
Fuse Diagram For 2005 Chevy Silverado Wiring Diagram Wave Table Wave Table Trattoriadeicacciatorilecco It from ls1tech.com
Light duty full size silverado/sierra truck electrical manuals. Lacetti wiring scheme of the fuel pump and injectors. Posted on march 29, 2019 by admin. Looking for wiring diagram for 1989 chervrolet c2500 silverado. Chevrolet chevy ii nova electrical wiring diagram 254 kb. 10.5 with wire (1 without wire). Gm brake light wiring experts wiring diagram •. To make the leds work with the factory wiring (and calin holds the old broken taillamp next to the new anzo led brake light and the difference in styling is noticeable.

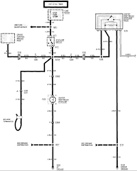
Unlike many other headlight systems, the normal headlights and drl lights are two separate systems, but they're.

I have a 2k5 silverado and recently the brake lights stopped working. Brake line _3_ rear brake line. Chevrolet silverado 1500, chevrolet silverado 2500. 10.5 with wire (1 without wire). There are many categories of circuit and wiring diagrams like automotive, audio circuits, radio & rf circuits, power supply circuits, light circuits, telephone circuits, timer circuits, battery. 94 chevy truck wiring harness diagram wiring diagram photos for help. Lacetti schematics of dimensional lighting and license plate illumination. 1955 chevrolet car wiring diagrams 3 mb. Need color coded wire harness for 94 silverado 1500 4.3 l heater control. Also wondering where the plug from the factory radio would connect too. Right side of the trailer plug on the truck. Each component ought to be placed and linked to different parts in… Wire wire color wire location.

Light duty full size silverado/sierra truck electrical manuals 2005 chevy silverado wiring diagram. 2005 chevy silverado brake line diagram.
By